Aufsitzmähersitz Rückenlehne 45 cm, für John Deere

Aufsitzmähersitz
- von ratioparts
- Farbe: gelb
- mit 45 cm hohe Rückenlehne
- Nachbauteil zur Hersteller-Nr.: JOHN DEERE AM107802, AM122434, AM138194, TCA13830 (Original-Nr. dienen ausschließlich zu Vergleichszwecken)
- passend für John Deere, Modelle: 625I XUV 4X4 GATOR, 825I XUV 4X4 GATOR, 855D XUV 4X4 GATOR, RSX850I GATOR

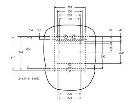
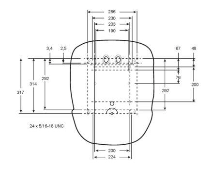
Abb. 2
- Maße
- passende Schraubengröße zur Befestigung: 24 x 5/16"-18 UNC
(Info: Die Befestigungs-Buchsen/-muttern im Sitz sind vom Hersteller leicht gequetscht bzw. etwas oval, daher lassen sich die Schrauben 5/16-18 schwerer hineindrehen - gedacht als Sicherung)